Clientii, o familie tanara, au primit acest apartament de dimensiuni reduse in dar de la rude. Misiunea designerului Anastasia Kalistova a fost aceea de a reda viata si stralucire apartamentului; crearea unui interior luminos si confortabil in care sa nu existe senzatia unui spatiu inghesuit au fost pe lista de prioritati a intregii echipe implicate.
Dupa interventia decisiva a designerilor, nu a ramas nicio urma din veche amenajare. Remodelarea spatiului a pornit de la nevoia de compartimentare eficienta. Astfel, bucataria si livingul formeaza un spatiu comun deschis, au fost create spatii de depozitare amplasate strategic si o mica zona de intrare -hol.
A fost alocat un mic spatiu si pentru dressing (o cerinta expres a proprietarilor). Amplasat la capatul patului, accesul in dressing se realizeaza simetric, prin doua usi care gliseaza in perete. Solutia s-a dovedit a fi extrem de convenabila, estetic si tehnic, fiecare avand acces propriu.
Vechiile partitii au fost inlocuite complet iar pentru a rezolva unele dintre cerintele trasate in proiect au aparut cateva compromisuri. Pentru obtinerea zonei comune de living si bucatarie a fost nevoie sa se renunte la instalatia de gaze. Astfel, cuptorul ales in bucatarie este unul electric.
Bugetul alocat renovarii si amenajarii apartamentului a fost destul de redus; prioritizarea zonelor de interes si alegerea materialelor fiind esentiale. S-a optat pentru materiale simple in decorarea spatiilor: vopsea lavabila pentru pereti; placari cu placi ceramice, parchet laminat.
In contrast cu paleta cromatica generala bazata pe culori deschise, pastelate, peretele verde mat din living constituie un fundal tip accent pentru piesele de mobilier.
Baia a fost finisata cu placi ceramice de dimensiuni mari care imita foarte realistic marmura alba. Pe peretele pe care este amplasat vasul de toaleta a fost creata o nisa cat toata lungimea baii. Practic, peretele din gips carton mascheaza rezervorul incastrat si in acelasi timp creeaza spatii de depozitare tip nisa, foarte convenabile in baile de dimensiuni mici.
Corpurile de mobilier din dressing, bucataria, dulapul din living, dulapul din baie pe care este amplasata chiuveta, au fost realizate la comanda dupa schitele designerului. Masa si scaunele din dining sunt achizitionate de la Ikea.
Designer: Anastasia Kalistova
Fotograf: Vasily Khurtin





Bucataria inainte de amenajare
Livingul inainte de amenajare
Baia inainte de amenajare
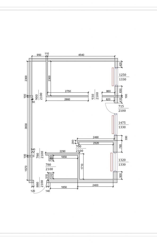
Planul apartamentului








